
Záhada blair witch, pc skládánî
Takže začneme, je to sranda …
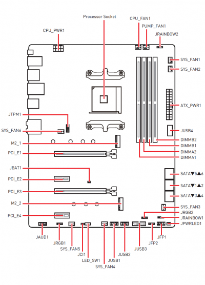
Zakladni deska : tomahawk mag b550
Chlazení na ryzen 7 5800x jsem koupil NZXT Kraken X73. Bedna : Fractal Design Meshify S2 Tempered Glass. V zadu má zařízeni kde vložíte všechny větráčky, taková spojka. Spojka má jít do cpu fan1 na zakladni desce, jenže to i zmíněný kraken x73 ve kterem je napsáno cpu fan 1 or aio fan. Vedle cpu fanu na základní desce mám pump fan. Je pump fan1 stejné jako aio fan ? Co je lepší ze všech hledisk, hlavně skrz bezpečí ? Zde jsem nasel toto :
PUMP_FAN1 is for the pump.
CPU_FAN1 is for the CPU fans which are PWM controlled, depending on the temps the RPM will adjust accordingly.
SYS_FAN1~4 is for case fans.
Most people don't plug the pump into CPU_FAN1 because if it fails the mobo will detect it and refuse to boot or throw up an error code upon post.
As for those fan hubs, it depends on how many amps your fans are. Each header can pull up to 1amp. So if your fans were 0.25A, you can have four fans per header….
Nevim jestli tomu rozumim dobře. Potřeboval bych poradit jak to màm udělat.
Další problém je s rgb u krakena. Nemám rgb verzi kde svítí vetràčky, ale pumpa by měla. Z pumpy jde kabel viz foto, druhy kabel kam to zapojit nemam a do mb to nikam nepasuje
Hlavni je PUMP_FAN1na ovladani pumpy. CPU_FAN1 ti bude ridit a napajet ventilatory na chladicim zebru.
Zbytek kablu je asi na nejaké RGB, nebo osvetleni a ostatni parapaticky. Takze ten kabel co nemas, chodu nevadi, ber to tak, ze je jen na nastavovani efektu a synchronizaci osvetlujicich elementu treba u PC tuningu kde chces aby cele PC svitilo nejakou urcitou barvou, blikalo a podobne.
Az to zapojis a spustit PC, tek hned vlez do BIOS a zkontroluj ze ukazatelé vse zobrazuji spravne.
Hlavne pri prvnim zapnuti se podivej, jestli ti nekde nakape voda protoze hodne lidi co tyto AIO motuji a nez najdou spravnou polohu maji tendeci tema hadickama ruzne hybat a cloumat s nema.
Dobře, rgb nebudu řešit, snad pumpa bude svítit a fungovat jak má. Návod co byl v balení : https://www.manualypdf.cz/nzxt/kraken-x73-rgb/manuál?p=22
Stránka 22, zapojit pumpu do cpu_fan 1 nebo aio_fan, na zakladni desce mám opakuji cpu_fan1 a pump_fan1. Takže kam ? A na stránce 21 je zapojení třech ventilátorů do MB, tedy například do sys_fan 1 ?
Zkompletoval jsem to a zapojil následovně: viz foto z manuálu.
Kraken 73x vodni chlazení jsem zapojil do cpu_fan1. Tři větráky namontované na radiatoru jsem spojil a zapojil do sys_fan3. V manuálu u mb bylo napsáno že v biosu v cpu_fanu mám z nastavení auto nastavit na pwm nebo dc. Posílàm foto, může to tak být všechno ? Co myslíte ?
Fotky z biousu