

Bios fan
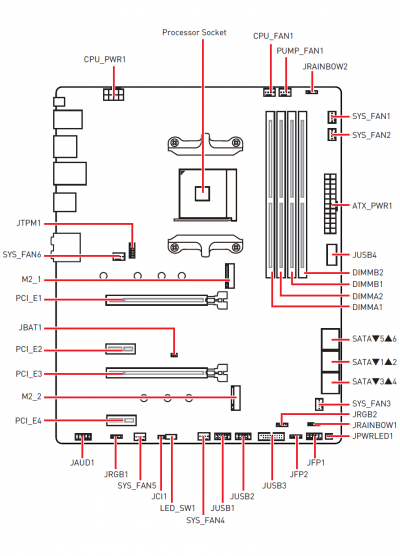
Zkompletoval jsem to a zapojil následovně: viz foto z manuálu.
Kraken 73x vodni chlazení jsem zapojil do cpu_fan1. Tři větráky namontované na radiatoru jsem spojil a zapojil do sys_fan3. V manuálu u mb bylo napsáno že v biosu v cpu_fanu mám z nastavení auto nastavit na pwm nebo dc. Posílàm foto, může to tak být všechno ? Co myslíte ?
Stačí se zeptat jednou. (host)
Větráky od radiátoru by měly být zapojené do CPU_fan ... aby byly ovládané teplotou CPU. Proč nezapojíš pumpu do PUMP ???