
Zapojení zesilovače
Mám takový problém :D mám zesilovač RDUCH MWL-5B a pasivní reprosoustavu dvou beden neco jako je toto http://dexon.cz/katalog/profesionalni-technika/rep rosoustavy/bc-1000-profesionalni-reprosoustava-pas ivni.html (vykonově totožné i impedance souhlasí) ale nedaří se mi to zapojit xD na jedné reprobedně jsou zezadu 2 zásuvky na kabely ale na zesilovači jsem nikde nenasel kam bych to mohl pripojit :D prosím poraďte jak to mám připojit. předem díky za odpoved.
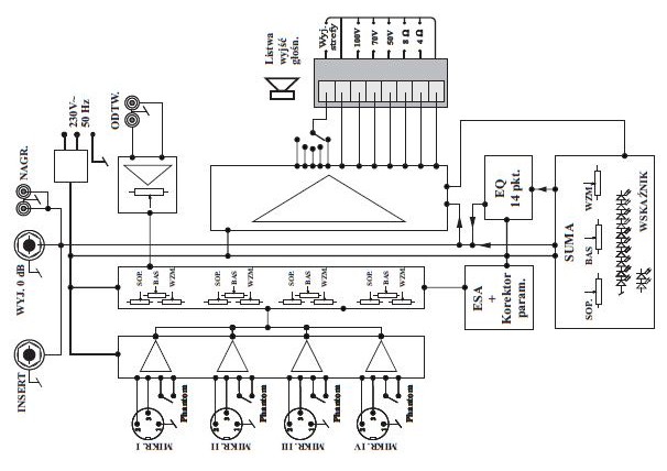
Tady je manuál - v polštině.
http://www.elektroda.pl/rtvforum/topic1410034.html
Obávám se, že si budeš muset sám přečíst manuál.
![[http://pc.poradna.net/file/view/3497-polshit-png]](/file/view/3497-polshit-png)
asi jsem blbý ale nechápu proc jsou an reproduktoru 2 na XLR koncovku mám 2 kabely s tema koncovkama ale nevím jak to zapojit do zesilovače kdyz tam zásuvka na ten konektor není :(
http://www.sramus.cz/podskupina/183-xlr-jack-kabel y
tak jak pripojit ty reprobedny uz vím :D:D ale jeste jeden problém je ze mám pasivní subwoofer a potreboval bych ho pripojit k zesilovaci nevíte jestli to pujde??
Já nejsem hudebník a polsky neumím. Ale podle mě je to mono zesilovač "do racku" s výstupním napětím 50-100voltů (do rozhlasové ústředny např.) a jediný co se k němu dá připojit je x mikrofonů. Jak k tomu ty repra připojíš tak buď odejdou repráky nebo zesák nebo oboje.
.
Mám takový dojem že si to malounko pleteš s mašinkou na ozvučením obýváku
Podle obrázku v manuálu je tam i výstup pro 8 Ω a 4 Ω repro, ale mono je to určitě. Takže při správném připojení by nemělo odejít nic.
no
to že se v manuálu mele o 8/4ohmech je pěkný ale častěji tam melou o napětích 50,70 a 100 voltech. Což "normální" zesilovač nemá.
a co takový parametr z manuálu napiêcie wyjoeciowe linii
http://www.google.cz/search?q=napi%C3%AAcie+wyjoec iowe+linii&hl=cs&tbs=clir:1,clira:s,clirsl:pl
plus tabulka strana 7/13 dole
![[3503-kram-png]](/file/view/3503-kram-png)
dokáze mi nekdo odpovedet na otazku proc jsou na reprobedne dve zásuvky na sparcon konktory?? a kolik žilový kabel u nich mui byt??
Nejspíše jsou určeny pro BiWiring nebo BiAmp. To musíš vědět ty co máš za bedny. Odsud je to blbě vidět.
http://www.google.cz/search?hl=cs&source=hp&q=biwi ring&lr=
:D:D reprobedny se musí pripojit zezadu do tohodle:
![[http://pc.poradna.net/images/file/jpg.gif]](/images/file/jpg.gif)
ale nevím ktery kabel kam :D dokáže mi někdo poradit?? nevyznám se v tom reprobedny mám RH 10/2/200P http://www.pasound.cz/cz/rh-10-2-200p_reproboxy.rh d.69.htm podle mě by jeden kabel měl jít zapojit do zdiřky kde je 8 ohm a druhy nevím :D:D pokud se pletu tak mě prosim opravte btw na reprobědně je napsany max vykon 300w ale na netu 200w tak nevím co je pravda :D
Z repro ti idu 2 obycajne draty, nie? Pripajas jeden drat na "8ohm" a druhy drat na ten na obrazku spodny, ktory je spolocny pre vsetky.
P.S. resp. z toho obrazku ani svaty nevie ze ktory je tam spolocny pin, su tam snad 2 alebo 3 ??? Asi spodny.
P.S.2. ten repro je tak 10W (realne). Na netu si mozu pisat aj milion W. P.S.3. resp. Ok je to vacsie ako som si myslel, tak moze to byt tak 30-40W repro.
jo na konci kabelu mam 2 obycejne pocinovane konce dratu
Obrázek je vystřižek z návodu tu je celá stránka![[http://pc.poradna.net/images/file/jpg.gif]](/images/file/jpg.gif)
Tak to je tiez prd platne
Asi to je ten uplne vpravo ale neni to 100% iste.
Tie repro ak mas original tie RH tak moze byt ze maju max RMS vykon 200W a spickovy vykon 300W (ono tych vykonov je viac zavisi co presne sa tym mysli). Rataj ale max s tym 200W nech to neodpalis. Sa mi predtym nejak poplietli rozmery v cm a v palcoch (10" a 10cm :)
ok no tak diky vyzkoušim to nejak pripojit jeden drát bude určitě ve zdiřce kde je napsane tech 8ohm ze?? pokud se nepletu :D
Ano. A druhy pravdepodobne naspodku (na 99%)
a k cemu muze byt to napětí jak je tam 50 75 a 100 voltu
To neni "napati" ale vystupy pre ine typy reproduktorov (trebars vesnicky rozhlas alebo co pouziva ine impedancie a tym aj ine volty idu do repro :). //edit: alebo repro s velkymi vykonmi üpotrebuje take velke napatia, zavisi to od impedancie a vykonu repro ze co pouzijes, mas v navode tabulku.
Pouzivas len jeden vystup podla toho jake mas repro (u teba 8 ohm). Druhy drat davas do nejakeho spolocneho, to je zrejme ten spodny. Co ma metie su tie 2 vrchne tomu vobec nechapem co to je (nejake zonove neco)
kdyz to zhrnu tak je to zesilovač na hovno kdyz chci ozvučit tělocvičnu :D:D
preco by bol nahovno? S 200W RMS ozvucis aj 3telocvicne.
myslím na zapojení složité ale tak nastestí to zapojuju poprvé a naposled :D
No ja neviem co je na tom zlozite zapojit 2draty :) U takychto veci je len plus ak je tam viac moznosti zapojenia pre rozne boxy, take vykony to uz neni sranda s 12 voltikmi (a nemylit si to s 10W minivezou na ktorej je napis "200W" - to len cinanovi sa snivalo)
Akurat navod k tomu je nahovno ptz made in poland alebo co.