
Test AiO chladiče MSI A13 240: Má vodní chlazení v roce 2025 mimo okrasu ještě smysl ?
Píše se rok 2025. Procesory 65W & TDP dominují v běžným sestavám. Nabízí se otázka, zda-li má v takovém případě vodní chlazení typu AiO stále své opodstatnění nebo vstupujeme do éry kde AiO jsou jen ozdobou RGB ? V článku se podíváme na výhody a nevýhody této technologie a otestujeme AiO střední třídy "MAG" od MSI model A13 240 Dual Fan, zda dokáže nabídnout nejen výkon, ale i tichý chod, styl a korektní hodnoty na místo bežného AirFlow & Stock Cooler ?
Rychlo montážní MSI MAG CORELIQUID A12 240 s Dual Fan AIO CPU Liquid Cooler - Review & Test
Má AiO pro 65W → 100W CPU v roce 2025 vůbec smysl, nebo je to jen dizajnový doplněk ?🤔
Úvod k článku📑:
• Momentálně na Alza s menší slevou, vás MSI MAG CORELIQUID A13 240 s hadicemi typu EPDM a ARGB Gen2, cenově vyjde na pouhé 2049Kč
Prodává se i ve variantě s delším radiátorem a třemi ventilátory (3×FAN), přesto mi dvouventilátorová verze přijde pro běžného uživatele (BFU) nejvhodnější.
"Nevím, jak to máte v ČR/SR, ale tady lidé preferují internetové obchody – jednak proto, že jsou zpravidla levnější, a když jdete do IT obchodu, který má velmi omezené zasoby, stejně na objednávku musíte čekat.
Onehdy jsem šel na zkoušku do obchodu, docoural se ke mně týpek v tričku Metallica namačkané v riflích; "jedno oko mu šlo doprava, a druhé šlo hledat vodu" 🤪 ... A když jsem se zeptal na základní informace o konektorech, začal to hledat a luštit na obalu. Tak jsem to vzdal."
• Jestli se s vámi dělím o zkušenost právě s tímto AiO, pak je to proto, že jsem ve stejné cenové kategorii jen velmi zřídka narazil na tak výkonné a přitom velmi tiché zařízení.
• Ve stejné cenové kategorii předhaní dokonce Noctua typu NH-U9 nebo rivalizuje o 1000Kč dražší Noctua NH-D15.
• Pumpa ani ventilátory, které ani pro snížení teplot nepotřebují přesáhnout 50% otáček (RPM), pumpa, která vůbec není slyšet — při testu hlučnosti jsem naměřil necelých 15dB, což byl možná spíš zvuk okolních FAN.
"Zda-li je mezi vámi majitel tohoto modelu, myslím že potvrdí že pupma je absolutně tichá, i při nastavení 100% výkonu s otáčkami až 3800 ot./min v kombinaci s vysoce kvalitními keramickými kuličkovými ložisky je dosaženo perfektní rovnováhy mezi výkonem a tichým chodem".
• Ano, ve většině případů běžný uživatel sáhne po obyčejném Air-flow CPU Cooler za 800 Kč a neřeší to. AiO má ale také své výhody, třeba už jen, u AirFlow jsem se musím precizně u každé montáže PC hodně opírat o informace velikosti Cooleru už jen kvůli RAM, které některé z Air Cooler dokázali pěkně zahřat, nebo svou velikosti zcela RAM překřili, u AiO by bylo něco takového velmi, velmi ojedinělé.
♦ Popravdě nejsem fanoušek blikajících RGB prvků — pro lidi s epilepsií to může být skutečný problém. Ale když je osvětlení decentní, dá se vypnout nebo výrazně ztlumit, tak proti tomu vyloženě nic nemám.
🅜🅔🅝🅤:
1) MSI A13 240: With Dual Fan - Content
2) MSI A13 240: Radiátor & FAN Info
3) MSI A13 240: Montáž
4) Asi to vubec nejhlavnější : Provedení, kvalita a popis vodního chlazení - PUMPY- na modelu od MSI MAG "A13" 240
5) Co dělat, když vaše základní deska nemá konektor pro pumpu AIO?
6) Jak mužu ověrit ze AiO (WaterCooling) PUMPA funguje ?
7) GAMING TEST: Rozdíl teplot při změně RPM/s Pump & FAN výkonu při: 25% vs 50% vs 100%
8) AiO - MAG A13 240: CyberPunk - Integred Benchmark - 144Hz@175Hz - Ultra + RT
9) MSI A13 240: Global test in Gaming vs Stock Cooler C° compare
10) Přínos AiO na běžných CPU
11) Jak se drží "MSI MAG CorelQuid A13 240" vs "Konkurence" ?
12) MSI MAG A13 (240) : RGB & Nastavení
13) Závěr testu MAG CORELLIQUID A13 240 x2 FAN AiO : Negativa & Pozitiva:
MSI A13 240 - Dual Fan - Content📦
• Nic vyloženě neobvyklého, ale jak jste si možná všimli, chladicí ventilátory jsou již připevněny k chladicímu žebru, což vám ušetří čas při montáži.
• Celé AiO je dobře chráněno pro převoz – karton je z takového toho typu, který se používá na vajíčka. Hlavně pumpa má navíc pěnovou výstuhu.
• Provedení balení bych nepodceňoval – už se nejednou stalo, tuším že naposled šlo o nějaký Corsair, že na kartonovém obalu byl menší náraz.
Pravděpodobně se kurýr s balíčkem nesral a nechal na něm poházené jiné produkty. Po vybalení jsem pak zjistil, že vodní pumpa byla poškozená.
• V přiloženém pytlíku najdete základní sadu součástek k přimontování pumy na váš SoC. Kovové packy pro Intel 1700/1851, u AMD packy pro AM4/AM5. Pak klasika – teplovodivá pasta a pytlík se šroubky k montáži chlazení.
Kompletni seznam podporovanych SoC/patic: LGA1150, Patice LGA1151, Patice LGA1155, Patice LGA1156, Patice LGA1200, Patice LGA1700, Patice LGA1851, Patice AM5, Patice AM4.
MAG A13: Radiátor & FANs Info 𖣘
• Jak jsem zmínil na začátku, hadice jsou typu EPDM, co to znamená, a o co jsou lepsi jak klasické gumové ?
1) Vysoká tepelná odolnost: běžně zvládá teploty od −40 °C do +120 °C
2) Vyborná Flexibilita a pevnost: snadná manipulace a to i v těsných prostorech (jako v šasi ITX)
3) Kompatibilita s chladicími kapalinami: včetně nemrznoucích směsí jako je ethylenglykol.
• Proč ho volí výrobci vodních chlazení ? 🧊
1) EPDM hadice jsou spolehlivé, nepropouští kapalinu a vydrží vysoký tlak i teplotu.
2) Jsou méně náchylné k tvrdnutí nebo praskání než některé plastové a levnejší alternativy.
3) Vhodné pro AiO chladiče i "custom loop systémy", kde je vyžadována dlouhá životnost..
• Materiál chladiče: x12 prodový. x6 linek pro teplou a x6 pro studenou která se vrací do pumpy k ochlazení CPU. Použitý material - Hliník
• Rozměry: 277mm x 119.6mm x 27mm. 20 FPI - 🤖 - (fins-per-inch) ve volném překladu 20 takových těch vlnek co vidíte v chladícím žebru → na jeden palec.
• FANs: 2x120mmtypu MSI Cycloblade 7 a ložisek "Rifle Bearing".
.. Co bych mohl dodat… MSI nyní osazuje do svých produktů novou řadu větráků pod označením "MSI Cycloblade 7", které – no co vám budu povídat – jako každý výrobce tvrdí, že mají lepší a lepší ložiska, super ozubení a optimální sklon lopatek, aby dosáhly nejlepšího výkonu a co nejnižší hlučnosti [dB]. To jsou proslovy, které slýcháme rok co rok, ale musím potvrdit, že jsou skutečně výkonné a tiché.
Jestli budou tímto stylem pokračovat a stále měnit úhel lopatek (pro údajně lepší a silnější "fuk"), tak ty lopatky nakonec budou naruby, vzhůru nohama a opačně 📐
MAG A12 240 montáž🔩
• Před montáži začněte připravou pumpy s adekvatním suportem: Intel & AMD.
• Montáž ocelových pacek dle socketu: Intel & AMD, se provádí tak, že adekvátní nožky zasunete jednoduše do pumpy, jak můžete vidět na obrázku. Po vložení pak stačí jen tu packu k upevnění přišroubovat.
• Celá motnáž SoC suportu nertvá déle jak minutu pro každou stranu.
• Jak jsem psal úvodem, jde o model s velmi jednoduchou a rychlou montáží. Montáž proveďte dle vaší PC skříně, ale začal bych připevněním radiátoru a očištěním CPU. Co bych ale doporučil a zdůraznil: před přichycením pumpy na CPU odpojte napájecí PIN procesoru, chladicí hlavu nechte mimo základní desku a nechte AiO běžet alespoň 15 minut 🕒, aby jste ověřili že "nedochází k úniku kapaliny".
• Jestli je vše v pořádku, můžete začít s nanesením teplovodivé pasty – 'hlavně to nepřehánějte' !! - stačí velikost, jako by se vám na CPU vysral holub (né vic jak malej hrašek). Nemějte strach, pasta se sama rovnoměrně roztáhne. Můžete začít s montáží pumpy – zde bych doporučil křížové šroubování. Tím chci říct, že při šroubování těch čtyř šroubků je utahujete do kříže🪛.
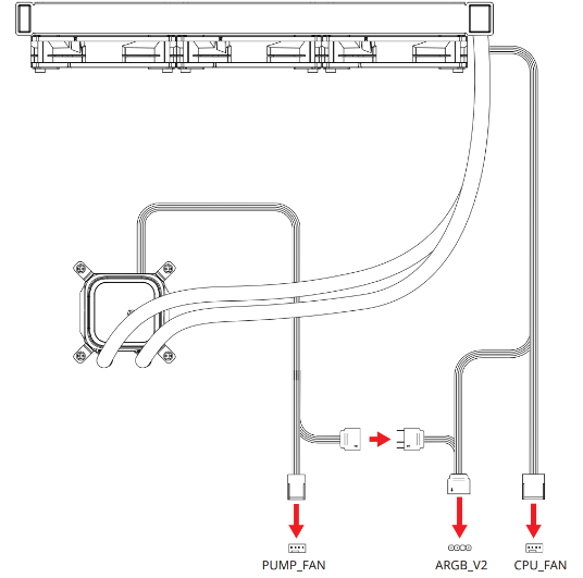
♦ A13 240 používá EZ Connect, což v rychlosti znamená, dříve 240mm "FAN x2 🎛", "FAN x3" sady vodního chlazení vyžadovaly alespoň čtyři FAN kabely, "EZ Conect použivá pouze jeden" cimž se také se výrazně zkrátí čas potřebný k úklidu kabelů.
Asi to vůbec nejhlavnější: Provedení, kvalita a popis vodního chlazení - PUMPY- na modelu MAG A13 240💧
MĚDĚNÁ ZÁKLADNÍ DESKA (plate)
♦ Tato nová kompletně měděná destička aneb "Cold plate" nahrazuje tradiční konstrukce, která vyžadovala otvory pro šrouby, což výrazně zlepšuje vodotěsnost ale i zajišťuje větší bezpečnost.
Cold plate je vybaven "0,1mm" tzv "mikrokanály", které efektivně absorbují teplo z procesoru, a poskytuje nejlepší synchro s čerpadlem, aby teplo rychle odváděla a zajistila co nejlepší přenos, odvod tepla.
♦ Detailnějsí náhled na parametry hnacího prvku tedy "PUMPY" v tomto A13 modelu střední třídy MAG .
Pro někoho je AiO jen voda co teče dolu, kde pumpuje pumpa a tak to celé funguje, ok, neberu vám to.
♦ Životnost pumpy: 100 000 hodin.
.. Jen když jsem se díval na informace o délce životnosti, tak mě to nějak napadlo:
"trochu matiky" !!
Když budu zařízení používat 6 hodin deně, tak životnost pumpy by měla byt ?! (popřípadě mne prosím opravte)
100 000 hodin ÷ 6 hodin/den = 16 666dní, to je nakych 45 let ne
?
♦ Hlučnost pumpy: 20 dBA
♦ Jmenovitý proud pumpy: 0,38 A
♦ Spotřeba energie pumpy: 4,56 W
♦ Rychlost pumpy: 3100 ot./min ± 10 %
♦ Konektor pumpy: 3pinový
♦ Materiál chladiče: Měď + plast
♦ (Šířka, výška, hloubka hlavy pumpy: '6.5Cm x 6Cm x 5.5Cm'. (Taková 6Cm kostka no)
Co dělat, když vaše základní deska nemá vyhrazený konektor pro pumpu AIO?🔌
♦ Jestli vaše základní deska nemá konektor [CPU_PUMP], tak vám řeknu malé tajemství.
♦ Tyto "pump-specific headers" specifické pro pumpu (CPU_PUMPE) jsou v podstatě jen maskované hlavičky SYS_FAN.
♦ I když v mém připadě jsem pro PUMPU použil CPU_OPT protože na testované MB nebyl žádnéj konektor[AIO_PUMP] a "OPT" byl hned poruce no, můžete jako náhradu k připojení pumpy zvolit a také bych to opravdu doporučil použít [SYS_FAN] nebo [CHA_FAN]. Bude to fungovat stejně.
♦ V BIOS v QFAN Control, monitoru hardwaru a podobne dle výrobce MB, zkontrolujte, zda je header, který napájí vaši pumpu, nastaven na 100% rychlost.
♦ Jelikož pumpa používa 3xPIN [•••] koncovku při nastavení dbejte, aby jste přesli z modu PWM na mod DC !.
♦ Na většině základních desek při zvolení "Ignorovat" bude pumpa běžet bez výkyvů na optimální výkon. Zde možná stojí za zmínku, že při zapojení do CPU_OPT bez ručního donastavení může docházet ke změnám výkonu, jelikož může kopírovat nastavení a parametry určené pro CPU_FAN.
Jak můžu ověrit že AiO (WaterCooling) PUMPA funguje?✓⃝
Test vaší pumpy, zda funguje, bych shrnul do tří hlavních bodů:
• Vibrace nebo zvuk: Zkuste přidržet ruku na pumpě, zda cítíte vibrace (nebo jestli vydává zvuk).
• Teplota hadic: Následně můžete zkusit teplotu hadic, kterými přichází kapalina do chladicího žebra. Nemusí být vyloženě horké, ale neměly by být studené.
• Rychlá verifikace C° v BIOSu: Jde o způsob, který používám pro rychlou kontrolu – odpojení pumpy od fyzického konektoru (například CHA_FAN).
V BIOS před odpojením nahlédnu na teploty♨️, poté vypnu PC, odpojím pumpu, zapnu PC a znovu zkontroluji teploty. Pokud pumpa nefunguje, je pravděpodobné, že teplota vyskočí i bez zatížení CPU rychle nahoru 💥. To značí, že když byla pumpa zapojená, fungovala správně ✅, protože udržovala stabilní teploty bez výkyvů.
Můžete se podívat i na úrovni operačního systému (dle použitého softwaru), jakou rychlost otáček (RPM) daný konektor ukazuje – pokud je to "0" nebo zobrazuje ERROR ❌, pravděpodobně je problém s pumpou nebo s jejím zapojením.
• BIOS : Zapojena vs odpojena pumpa od konektoru na ilustračním obrazku:
🎮GAMING TEST: Rozdíl teplot při změně otáček (RPM) výkonu pumpy a ventilátorů🎮:
Cyberpunk 2077 - rozlišení 1440p - herní nastavení Ultra + RT (Ray Tracing)
• Jak můžete sami konstatovat, nema cenu v prípade ze to nevyžaduje situace ždímat z Pumpy vic jak 50%, rozdíl mezi 100% a 50% neni az tak extremní, AiO bude celkove tiší, delší životnost.
• Nastavení vykonu AiO i pri narocnejších her, bych jako nastavení na 50% oznacil jako rozumny kompromis se zachovaním tichého chodu a zaroven i teplot.
AiO - MAG A13 240 : CyberPunk - Integred Benchmark - 144Hz@175Hz - Ultra + RT 📊
• Zde vidíme výsledky po spuštení integrovaného Benchmarku, který posune limit vašeho HW, výborna situce na to aby jsme se podívali na teploty:.
MSI A13 240 : Global test in Gaming vs Stock Cooler C° compare🌡️
• V tomto grafu 📊, mužeme nahlédnout jaky rozdil mezi mužete ocekávat když nahradíte "Stock Coooler" za a "AIO", což dela přibližne neco okolo 20% v prospech AiO .
• Pumpa nastavena na 50%, ventilátory CPU_FAN na 25%, což je jen přibližně polovina výkonu AiO – což pocítíte hlavně v [dB] u stock cooleru (hluku) CPU po nějaké době hraní:
Přínos AiO na bežných CPU 🔥
Ryzen7 2700X | 80–85 °C | 65–70 °C | Stock Wraith Prism je hlučnější, AiO výrazně tišší a výkonnější
Ryzen 5 3600 | 85–90 °C | 65–75 °C | Stock chladič často nestíhá, AiO pomáhá hlavně při delší zátěži
Ryzen 5 5600 | 80–85 °C | 65–70 °C | AiO výrazně zlepšuje stabilitu při hraní a renderingu
Ryzen 5 7600 | 90–95 °C | 70–80 °C | Novější čipy boostují agresivně, AiO pomáhá udržet výkon |
Ryzen7 5800X3D | 90–93 °C | 75–80 °C | Vysoká hodnota tD * tepla, AiO doporučeno pro stabilitu
Intel i5-12400 | 75–80 °C | 60–65 °C | AiO zajišťuje tichý chod i při vyšší zátěži
Intel i5-14400F | 80–85 °C | 65–70 °C | AiO pomáhá hlavně při multitaskingu a hrách
Intel Ultra5 225 | 85–90 °C | 70–75 °C | AiO zajišťuje tichý provoz, čip boostuje na vyšší frekvence
Jak se drží "MSI MAG Coreliquid A13 240" vs "Konkurence"?🆚
• Vůči konkurenci, která je v přiblizně stejné cenové kategorii, nebo i dražsí, se nový typ AiO od MSI rady [MAG A13] drzi překvapivě dobře, nebo dokaže v "cena/výkon" velmi dobre konkurovat.
• Pro test byl použit procesor "AMD Ryzen 7 7800x3D"bez PBO. V zatežovém testu se "Ryzen 7" pohyboval mezi ~120-135 TDP
• Hodnoty byly meřené softwérem HWiNFO64, zapsany po 15 minutovém v zatežovém testu OCCT.
MSI MAG A13 (240): RGB & Nastaveni🌈
♦ V otázce Aura Sync, což je software, přes který nastavujete chování RGB, vše začíná v BIOSu. Může záležet na výrobci, ale některé BIOSy nabízejí možnost, zda chcete, aby se po spuštění PC objevilo informační okénko „AURA SYNC JE DOSTUPNÁ“ a zda chcete provést instalaci. V opačném případě můžete Aura Sync stáhnout ručně.
♦ Další z možností je jít přes nastavení Windows. Při testu jsem byl na verzi Windows 11 24H2 – nemohu zaručit, jak to mají předchozí build.
Nastavení RGB byste měli najít pod: Nastavení → Zobrazení → Přizpůsobení → Dynamické osvětlení. Jestli máte problém tuto položku najít, v nastavení ve vyhledávacím políčku zadejte „RGB“.
Závěr testu MAG CORELLIQUID A13 240 x2 FAN AiO: Negativa & Pozitiva:
[NEGATIVA❌]
Light leakage
♦ Asi mezi první nedostatky, které jdou vidět hned na první pohled, je kupříkladu "light leak", aneb únik světla – paprsků RGB – mezi ventilátorem a chladičem.
♦ I když tento jev můžeme vidět i na dražších modelech, u AiO, které neměly přemontované ventilátory, jsem se již setkal s gumovými podložkami, které vyplňovaly možnou mezeru mezi FAN a radiátorem (co by to MSi stálo 5 centu za kus ?!).
♦ Jednak vás tyto paprsky neoslní a nedochází ani k tomu, že vzduch tou škvírou uniká – ovšem jde o zcela zanedbatelný vliv na chod AiO.
Víc plastu jak kovu ..♻️
♦ Jistě, za takovou cenu nemůžeme čekat Super Premium kvalitu konstrukce.
♦ V našem případě, i když na první pohled to není nijak výrazné, broušený hliník byl použit jen pro čelní stranu pumpy, zbytek je převážně tvrdý plast.
Alespoň ty hadice typu EPDM jsou kvalitně provedeny a nejde o ty klasické gumové, které časem praskají.
[POZITIVA➕]
• Přední "kovový plíšek s nápisem MSI" lze odejmout a otočit směrem, kterým chcete – což u některých AIO možné není. Pak nápis vzhůru nohama nevypadá zrovna nejlépe.“
• Za AiO za 2000 Kč jde spíše o dobré překvapení. Přední logo které jde otocit dle preference nebo polohy pumpy, broušeného dává pumpě prémiový vzhled.
• Výkon za takovou cenu je více jak uspokojující a v některých případech se držel po boku nebo u předchozích modelů dokonce překonal své rivaly.
• Za jednu z největších pozitiv je jeho efektivita a velmi tichý chod, který ať v IDLE nebo zátěži pumpu neuslyšíte.
V IDLE se tak může zdát, že je PC pasivně chlazeno, jelikož je prakticky zcela tiché. Samotná pumpa nevydává bizarní zvuky, pískání nebo "rybníkový efekt", kde slyšíte šplouchat jako by vodu.
• A jako poslední pozitivní bod je jednoduchost montáže, takže je zcela vhodný i pro uživatele, co montují AiO poprvé.
SEQUEL
Co dodat na konec?
♦ Mimo to, že dát dohromady všechny informace, investovaný čas, měření – hlavně při výměně procesoru a montáži jiných coolerů – jste snad dostali dostatečné informace proto, abyste si případně,
pokud zrovna nějaké AiO v této cenové kategorii hledáte (a nejen to), mohli porovnat naměřené hodnoty s těmi, co máte aktuálně. Každý test byl proveden třikrát a byl vybrán průměr (AVG).
♦ Ano, z části jde také o prezentaci PC, která u počítače bez průhledné bočnice ztrácí na "cool efektu", ale v žádném případě ne na výkonu.
♦ Pro někoho, kdo hledá cooler – v mém případě převážně pro PC určený na rendering a jiný CPU multi-task software, který vytěžuje procesor – jde o alternativu, která mi poskytuje jak tichý chod,
tak i velmi korektní teploty (°C), nemluvě o možnosti přetaktování, aniž bych musel nechávat v letních dnech bočnici otevřenou.
PS: Ano, ve většině případů běžný uživatel sáhne po obyčejném air-flow CPU cooleru za 800 Kč a neřeší to.
"Nebuď ryba" 🐟 ! Jestli se vam recenze/video líbilo a chteli by jste nas podpořit, stante se naším "PATRONEM" co nese nekteré vyhody a hlavne podpoříte dobrou věc 👍
•p
•o
•r
•a
•d
•n
•a
Parádní článek, moc díky! Muselo to dát spoustu práce.
Jenom mi není jasné, že procesor (CPU) nazýváš SoC, to je podle mě něco jiného?
Registrovat se na Patreon nebudu, počkám na QR kódy....
Asi uz me za tu dobu znas, jsem cely doploteny.
Na SoC jestli jde o kontext "pupmu", tak se se na CPU sice priklada ale montuje se na socket (SoC), teda jestli to bylo v tomu kontextu.
Jo, prace dalo (mimo češtinu
, priznavam ze u upravy textu sem si na tebe vzpomel)) hlavne to mereni a prehazovani chladicu, nektere CPU jsem mel z prace na par dni tak to bylo malo casu hodne mereni ktere delas zpravidla 3x a das vysledek co je AVG....tak dik ze sis vsiml 
Jo aha, SoC používáš jako zkratku pro socket (patici)? To vidím poprvé, tohle označení už je zabrané pro System On Chip (např. u Smart TV - MediaTek Pentonic atd.). Tak mě to zmátlo.
Jinak proti češtině nemám námitky, když znám důvody.
Fakt parádní článek!
OPRAVA : SoC = mysleno Socket
• V clanku, pod zkratkou SoC byl myslen Socket, omlouvam za toto male (snad) nedorozumeni.
------------------------------------------
No mas fakt pravdu priteli, alespon podle vseznalka AI.![]:)](https://static.poradna.net/images/smiley/evilsmile.gif)
Zkratka SoC je pro priklad deska s integrovanym procesorem, nic spolecneho SOCKET kam se dava CPU jako takovym.
A to ten termin SoC pro Socket tady pouzivam snad pres 8 let !!
System on Chip (SoC)
![[100196-soc-admin-host-png]](https://pc.poradna.net/files/100196-soc-admin-host-png)
Tedy systém na čipu – technický termín z oblasti hardwaru.
Co to je?
- Integrovaný obvod, který kombinuje procesor, paměť, grafiku a další komponenty na jednom čipu.
- Používá se v mobilních telefonech, tabletech, chytrých hodinkách, ale i v IoT zařízeních.
-----------------------------------------------------------------------------------------------------------------
• Tak jsem hledal, protoze tohle oznaceni pouzivame v oboru podstate bezne a dene, a narazil jsem na to, ze v zemi kde bydlim se to muze od jinych jazyku nebo zemi lisit, posahani frantici (aspon to mam na koho svest ze):
.. puvodne jsem ti to chtel poslat pres SP, ale takle je to alespon male vysvetleni chyby nebo spise "nedoruzumeni" z me strany a dat to na spravnou miru.
Se to nepokousim zamest pod koberec, ale nekdy clovek pouziva automaticky vyrazi tak jak je zna aniz by se pozastavil nad jejich skutecnou podstatou a vyznamem v jine zemi nez zije.
OK, už se to vysvětlilo.
Nenapadlo mě, že ve francouzštině se používá zkratka SoC pro socket CPU.
Zrovna jsem se díval po novém chladiči.
Chtel jsem zakoupit KRAKEN, 380 od NZXT s tím displejem, kde se ukazuje teplota procesoru, ale kvůli jeho šířce se mi prej nevejde do skříně.
V článku jsem nenašel, jaký je rozdíl mezi dvouvětrákovou a třívětrákovou verzí. Má cenu investovat do verze se třemi ventilátory, která stojí jen o čtyři stovky víc v té bílé variantě? Mám bílou základní desku aji grafiku, tak proto bych vzal tu bílou https://www.alza.cz/msi-mag-coreliquid-a13-360-white-d12611067.htm?o=4
Mám skleněnou bočnici a vodní chlazení se mi líbí víc než klasický věžový chladič.
Kámoš má ten samej s dvěma fan taky bílej tak mám predstavu jak to vypadá doopravdy. Říkal, že je dobrej.
Uz i indiansti křovaci, poslouchaji Mike Jacksona, a ty nemas doma, v jedne z nejvyspelejsich zemi vychodniho bloku vec, co se jmenuje pravitko ?
Rozdil 240 vs 360 verze oznaceje jen delku, 240 ma 24Cm & a 360 36Cm. (u v360 je fan navic)
A to PC ma nejake CPU ?
Jestli mas CPU dejme tomu pod 150W-175W s rozumnym OC (overclocking) nebo mas auto PBO kde V-Core jde docela nahoru ti 240 verze, teda s 2x FAN zcela staci. Oba modely pouzivaji identickou pumpu, 360 ma jen vetsi nadrz, tedy radiator na procesorech pod 150W s OC velky rozdil neuvidis, vzal, nebo doplatil 400Kc jenon v tom pripade jak pises "ze by vypadalo dobre".
Ok dík
Ryzen 7700 3,8GHz 8 jádrový, 16 vláken TDP 65W.
vodní chlazení za 2.5k na 65w procesor?
vždyť to ti uchladí i box chladič co je v ceně - ale zase se s tím nedají poměřovat pindíky před spolužáky.
Zakupil som wc Corsair NAUTILUS 240 ale bez RGB alebo vsetko co blika nema v PC co robit. A to len preto, ze sa mi do PC nezmestil Be quiet Dark Rock Pro 5, ktory tiez vyzera dobre, dokonca by som povedal ze aj lepsie ako ten vodnik. Inak by som musel kupit nizkoprofilove RAMky
https://www.alza.sk/be-quiet-dark-rock-pro-5-d7986674.htm?o=2
Skvělý test! MSI MAG CoreLiquid A13 240 opravdu funguje dobře – efektivní chlazení, nízká hlučnost a snadná instalace. Pokud je cena kolem ~2 000 Kč, jak je uvedeno v článku, je to velmi rozumná volba pro někoho, kdo chce AIO chlazení bez nutnosti drahých high-end modelů. Slope Rider