
Chyby v tisku tiskárny
Dobrý večer!
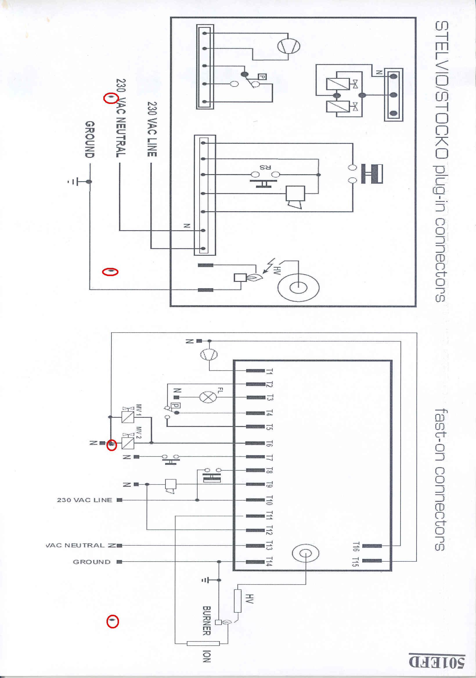
Mám tiskárnu HP LaserJet 1150. Velice spolehlivý stroj, ale před pár dny se mi stalo to, že mi do tisku přidává pár čárek (tiskárnu používám jen já, nedošlo k žádnému bloknutí papíru, nebo poslání papíru se sponkou. U velkého textu to moc nevadí, ale když je text malý, nebo ve schématech, tak je občas problém. V příloze posílám obrázek, kde jsou označeny ty "falešné body" červenými kroužky. Chci se jen zeptat (vzhledem ke stáří tiskárny). Je to chyba toneru a pokud jej vyměním, tak to bude OK, nebo závada je natolik závažná, že si raději koupit novou tiskárnu (koupě nového toneru to nevyřeší)!
děkuji moc za radu
Odinstaluj program aj ovladac od tlaciarne a znovu nainstaluj. mozno ti to pomoze lebo mne to volakedy pomohlo na atramentovej HP PSC 750. A samozrejme nainstaluj najnovsi ovladac aj program ak pouzivas neaky. Hladaj zo stranky vyrobcu HP.
---------
Hmmm... pozeram ze su ovladace len pre Windows Vista na stranke vyrobcu. Skus tym padom potom po vymazani ovladacov RESTARTOVAT PC a stiahnut ovladace cez WINDOWS UPDATE (v Ovladacom panely).
Ak ti to nepomoze tak problem moze byt aj naplni... Dufam ze mas original HP lebo neoriginal robia problemy obcas ;)
děkuji moc za rychlou reakci. Já mám tu tiskárnu nainstalovanou jako síťovou přes USB port routeru. Hodně mi to v domácnosti pomáhá a nerad bych o to přišel (samozřejmě jsem měl problémy to zprovoznit). Můj další dotaz tedy zní, jde nějak Vaší radu ověřit tak, že bych nic neodinstalovál, ale že bych připojil tiskárnu přímo k PC, nainstaloval ovládač a tím bych si ověřil, že není problém v HW? Omlouvám se, jsem amatér, tak pokud možno přesnější popis.
děkuji!
druhou půlku Vaší odpovědi čtu až teď. Takže je to na te stejné náplní. Ani nevím, jestli je originální, já jsem tiskárnu koupil asi před 2 léty a doposavad jsem toner neměnil. Zase ale jak dochází toner, tak se mění ostrost tisku na různých místech tisku, takže tam bych to snad neviděl, ale děkuji
to ovladačem nebude, to vypadá na nějaký cucek nalepený na válci nebo peci.
Ověřit to můžeš vytažením toneru a otočením válce (opatrně, otáčej za převodové zuby, nesahej na samotný válec - ten nevystavuj přímému světlu), pokud tam nic nebude, je to pec - tu očistit bude větší oříšek.
děkuj moc, teď jsem to vytáhl, ale tím ozubeným kolem otáčet nejde, nebo mám použít brutální sílu?
jde tím otáčet, ale pouze jedním směrem. V nejhorším případě kazetu rozšroubovat - ale pozor, dělej to někde, kde nebude vadit případný černý mrak toneru..
edit: postup zde: watch
Jo ještě musím říct, na válci jsem našel nějaké smítka, tak jsem je projel hadříkem, ale jak protočit ten válec, abych ho očistil celý. Možná bude chyba opravdu jen v tom! Takže použít brutální sílu?!
ne brutální sílu, mělo by to jít pomalu otočit tlakem bříška palce. Já se za brutála rozhodně nepovažuju a jde mi to s kazetou typu 98X
Ano, zkoušel jsem, jde to jak píšete, na válci jsem našel šmouhu velikosti na obrázku, ale i po jejím vyčištění, mi to tiskne stejně. Takže to jde někde z té "pece" a moc to neřešit? Zajímavé ale je, že při prvotním otáčením byl válec čistý, až jsem narazil na to místo (stejná čárka, stejně vzdálená od okraje). Smyl jsem ji hadříkem a otáčel dál a začal se mi mazat celý válec. Já ho čístil (občas naskočila i ta má vadná čárka), ale jelikož jsem se nedočistil (už byl pořád celý válec špinavý, tak jsem znova vložíl toner do tiskárny a jsem překvapen, papír zcela čistý, jen ty mé 4 falešné čárečky tam jsou pořád. Takže asi pec a tiskárnu vyhodit? Nebo umíte někdo poradit jak na tu pec? Ztratit nemám co a "kutím" rád!
děkuji
Kupte si repasovaný nebo nový toner (i s válcem) a mělo by to být vyřešené, podle mě je ta vada na válci.
PS: jak se stalo, že ten výtisk má deformovaný poměr stran? Místo kružnic elipsy?
Omlouvám se za pozdní reakci, ale přestaly mi chodit upozorňovací e-maily na toto vlákno a já jsem to přestal řešit. Teď jsem na Vaší reakci přišel náhodou!
Ano koupil jsem repas toneru a už je to OK. Proč je deformovaný poměr stran ani nevím, jen jsem dal narychlo oskenovat nějaký obrázek, abych tu chybu tisku mohl ukázat (asi jsem špatně nastavil kopírování). Které kružnice máte na mysli nevím, ale pokud jsou to ty mé červeně označené chybné body, tak to jsem dělal já. Nedělal jsem kruhy, prostě jak mi to padlo, tak jsem označil, takže většinou je to spíše elipsa než kruh.
Jinak děkuji za rady a myslíte, že ten původní toner ještě půjde nějak jednoduše zprovoznit (abych dojel prášek, jinak jej vyhodím, to už není problém)? Jen zrekapituluji. Pokud vyčistím válec, tak to nepomůže, chybné body tam jsou zpátky. Už jsem psal výše - na válci opravdu najdu stejnou čárku, stejné tloušťky a délky a stejně vzdálenou od okraje, ale i když ji vyčistím, při následném tisku mi to zase ty 4 čárky vytiskne a na válci je zase ta šmouha. Takže výměna válce asi nepomůže (nebo ano)?
Inu, výměna válce by mohla pomoci (pokud to člověk zvládne), ale jestli se nepletu součástí té sestavy jsou i stírací mechanismy, kde by také mohl být zakopaný pes. Teoreticky by mohlo jít i přesypat ten toner do zásobníku u funkčního válce, ale ten nepořádek si nedovedu představit. Možná by to za rozumný poplatek mohli udělat tam, kde tonery repasují.
Kruhy mám na mysli v tom schématu tam, kde by měly být (normované schematické značky):
![[http://pc.poradna.net/file/view/21922-kruhy-gif]](/file/view/21922-kruhy-gif)
Děkuji, to je dobrý nápad, poptám se jestli nemám v okolí nějakou firmu která se zabývá repasi toneru, nebo toner vyhodím. Jinak co se těch koleček týká, tak nevím, jak se mi to povedlo! Nejspíše jsem prostě neopatrností při práci s obrázkem (před tiskem) ho natáhl na výšku. Nic jiného mě nenapadá! Scaner jsem zkoušel, scanuje normálně.