

Windows XP - zobrazení signálu v mikrofonním vstupu
Kdysi, v pravěku, kdy Windows XP byla žhavá novinka jsem bastlil tester mikrofonního vstupu (do vstupu jsem připojil ubastlený generátor).
Matně si vzpomínám, že v tom počítači byl nějaký prográmek co zobrazil na obrazovce jakoby malou osciloskopickou obrazovku a zobrazil se tam signál co jsem do toho vstupu pouštěl. Určitě jsem tam žádný program neinstaloval, už tam byl.
Nechci se přít, ale snad to bylo součástí operačního systému. Už nevím, jak se ten prográmek jmenoval.
Nemáte s tím někdo zkušenost? Nebo aspoň na co se ptát?
Vím, že lze stáhnout programy co simulují osciloskop (https://automatizace.hw.cz/test-softwarovy-osciloskop-ze-zvukovky-pc) případně generátor signálu (do sluchátkového výstupu), ale o to mi nejde.
Signál mikrofonu je vidět např. v mixeru:
Záznam zvuku
https://jnp.zive.cz/jak-si-do-pocitace-nahrat-zvuk
Děkuji. Koukal jsem se na ten odkaz, myslím, že je to ono.


![[94131-mikro-jpg]](https://pc.poradna.net/files/94131-mikro-jpg)
Kdyby se to třeba někomu hodilo:
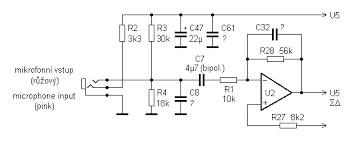
Chtělo se po mně, abych vymyslel nějaký tester mikrofonního vstupu místo toho co se tam používal - LED se připojila mezi výstup 5V přes odpor a společný vodič. Ta LED jen mžourala. Zkoušel jsem nabastlit oscilátor z 555CMOS, přes ten odpor to šlo napájet a fungovalo to. Výstup z generátoru se připojil na vstup a mohlo se testovat, jestli na vstup jde signál z generátoru. Ale myslím, že se to nepoužilo.
Název obrázku mikro.jpg je výstižný - 349px × 146px

Co tím chtěl básník říci?

Že ten obrázek je malý? Pokud by někoho zajímal, tak zkopírovat do Malování, stačí dvakrát zvětšit, je čitelný. Já si myslím, že moc lidí zajímat nebude, ostatně kdo ví, jak je ten konektor zapojený teď. Tak jsem sem nechtěl dávat velkou plachtu. "Mikro" jsem použil od slova "mikrofon".
Básník chtěl říci to, že když už ses rozhodl podělit se o "šémátko", tak by zájemci jistě uvítali rozumné rozlišení a ne miniaturu jako od Uko Ješity. Čitelné to sice s bídou je, ale nač si kazit oči a luštit kostičkované písmo...?
Dále by chtěl básník podotknout, že pro čb schéma je vhodnější formát GIF/PNG, určitě ne JPG.
A že mikro bylo myšlené jako zkratka pro mikrofon, to jsem pochopil.
Mě teda přijde čitelné dostatečně. Teda pokud se to nezačne zvětšovat nějakým chytrým algoritmem (z nějakých důvodů ho mám v prohlížeči obrázků vypnutý, takže až když jsem si to zvětšil v mozile, tak vidím, co vznikne). Ale jinak souhlasím, jpeg je na takový typ grafiky (obrázek s ostrými hranami či barevnými přechody) asi to nejhorší. Jpeg2000 by na to mohl být lepší (měl mít tyto artefakty nějak ošetřené), ale nevzpomínám si, že bych ho někdy viděl prakticky použít (pouze některé aplikace ho jistou dobu vnucovaly). JPG je výborný na fotky, kde se z principu skokové přechody nevyskytují. PNG je asi nejlepší, má slušnou kompresi a je široce podporovaný. GIF je taky dobrý, to že umí jen 256 barev by tady nevadilo (tady staší dvě). Na tento typ obrázku by klidně mohlo posloužit i BMP s kompresí LZW. Já ukládám schémata většinou jako tiff, jednak protože je na seznamu formátů, ve kterých to časopisy chtějí, jednak protože to visio samo nabízí (nemůžu nechat vektorový formát, protože ten se při tisku i přenosu do pdf rozsype, je to jedna z úžasných vlastností mordu; visio nemám moc rád už od školních let, kdy ještě nepatřilo microsoftu, ale je u nás zavedené, tak co nadělám). Vím, že tiff je nějaký takový kočkopes - kontejner pro cokoliv; zatím to ale vždy prošlo.
Mimochodem jsme nedávno s kolegou potřebovali otestovat mikrofon v desítkách a všechny tyto postupy selhaly, nakonec jsem zkusil VLC (normálně používám audacity, ale to on nemá), kde jsme zjistili, že mikrofon funguje a že tedy je problém nekde v tom konferenčním programu. Ovšem poté co jsme to provětrali v tom VLC to najednou začlo fungovat i v tom komunikačním programu, prostě jak to obvykle chodí u počítačů.