
Vadný RF ovládač ?
Zdravím, mám televizi philips 40pft6550/12 s dálk. ovl. Problém je, že do včerejška dálkač fungoval ok, dnesla ale se tel. podařilo DO zapnout, ale na další příkazy z DO nereaguje. Tel. resetována, baretie vyměněny, kontakty vyčištěny, DO rozebráno, očištěno v propylu, vysušeno, složeno - nic nepomohlo. Dá se nějak zjistit, jestli DO je funkční (není infra, ale RF) - nový stojí litr.. 
Díky všem..
TV už není v záruce?
Ovladač kdyžtak tady:
https://www.dalkove-ovladace.cz/ovladace-pro-televizory-philips-c-2_7/philips-ykf352-b03-dalkovy-ovladac-originalni-p-7065?zenid=ok5p3q2ftbo1qgl7ce9anieev7
není...
ta cena...asi mi nic jiného..
Jsou i dražší....
https://www.emerx.cz/philips-ykf352-b03-originalni-dalkovy-ovladac.html
docela síla..
Troufnu si tipnout, ze chyba nebude v dalkovem (to fakt malo kdy), ale v zakladnI desce TV = takove to "vse v jednom" s pocitacem - SoC chipem, tunery atd. Jde tv ovladat nejakymi tlacitky ktere ma na sobe - pokud ma? Obvykle tam neco byva, "sipky" + ok, a pod. Pokud nereaguje ani tak, zakladnideska = 4 az 8kkc.
jde to ovl. tl. vzadu na tv..
Aha, v tom pripade mozna fakt jen dalkove.
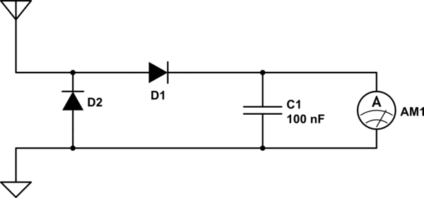
Jestli jde jen o ověření, že ovladač "něco" vysílá, tak si ubastli něco takového:
![[93519-lvphn-png]](https://pc.poradna.net/files/93519-lvphn-png)
Dá se to poskládat prakticky z čehokoliv, nějaké Schottky diody (asi i normální by stačily), keramika. Co nejcitlivější mikroampérmetr.
Z drátů uděláš vlastně dipól a když u toho sepneš nějaký vysílač, měla by se ručička aspoň hnout (nebo i digitální multimetr by měl zareagovat)....
dík, jdu na to..